Tuotteet
Laipallinen takaiskuventtiili
  • Laipallinen takaiskuventtiiliLaipallinen takaiskuventtiili

Laipallinen takaiskuventtiili

Laipallisen takaiskuventtiilin valmistaa GenTant, johtava venttiilivalmistaja ja -toimittaja Kiinassa. Tehtaamme palvelee laajaa ja monipuolista asiakaskuntaa vahvan maailmanlaajuisen vientiennätyksen tukemana. Olemme menestyksekkäästi toimittaneet korkealaatuisia venttiileitä lukuisille asiakkaille ja suurille markkinoille maailmanlaajuisesti, mukaan lukien laajan viennin Eurooppaan, Pohjois-Amerikkaan ja Venäjälle. Tämä kansainvälinen ulottuvuus osoittaa todistetusti kykymme täyttää monipuoliset kansainväliset standardit ja maailmanlaajuisten suunnitteluprojektien vaativat vaatimukset, mikä vahvistaa mainettamme luotettavana ja osaavana kumppanina virtauksensäätöalalla.

Laipallinen takaiskuventtiili on vankka teollinen virtauksensäätölaite, joka on suunniteltu automaattisesti sallimaan nesteen virtauksen yhteen suuntaan ja estämään vastavirtauksen putkistossa. Se saavutetaan saranoidulla levyllä tai kääntömekanismilla, joka avautuu eteenpäin paineen alaisena ja sulkeutuu painovoiman ja/tai takaisinvirtauspaineen vaikutuksesta positiivisen tiivisteen luomiseksi. Sen määrittävä ominaisuus, laipalliset päät, mahdollistaa turvallisen ja helpon pultauksen putkilaippojen välillä, mikä varmistaa erittäin eheän, vuotamattoman liitoksen, joka sopii korkeapaineisiin ja suurihalkaisijaisiin sovelluksiin. Tämä toiminto on kriittinen pumppujen, kompressorien ja muiden tärkeiden laitteiden suojaamiseksi vesivasaran ja vastavirtauksen aiheuttamilta vaurioilta sekä järjestelmän tehokkuuden ja turvallisuuden ylläpitämiseksi vedenkäsittelyssä, sähköntuotannossa, kemiankäsittelyssä sekä öljy- ja kaasuteollisuudessa.


Tuotteen ominaisuus ja sovellus

Laipallinen takaiskuventtiili on suunniteltu turvalliseen, yksisuuntaiseen virtauksen säätöön putkistojärjestelmissä. Laipalliset päät helpottavat asennusta ja vahvat, vuotamattomat liitokset. Sen kääntö- tai nostomekanismi estää takaisinvirtauksen ja suojaa pumppuja, putkia ja laitteita vaurioilta. Laajalti käytetty vesihuolto-, LVI-, teollisuus- ja kemianjärjestelmissä, se varmistaa luotettavan toiminnan, vähentää huoltotarvetta ja ylläpitää vakaata järjestelmän suorituskykyä.


Tuoteparametri

1. Nimellispaine: 1,6 MPa  

2. Käyttöväliaine: Vesi, syövyttävät ja syttymättömät kaasut

3. Käyttölämpötila: -20°C ≤ T ≤ 150°C  


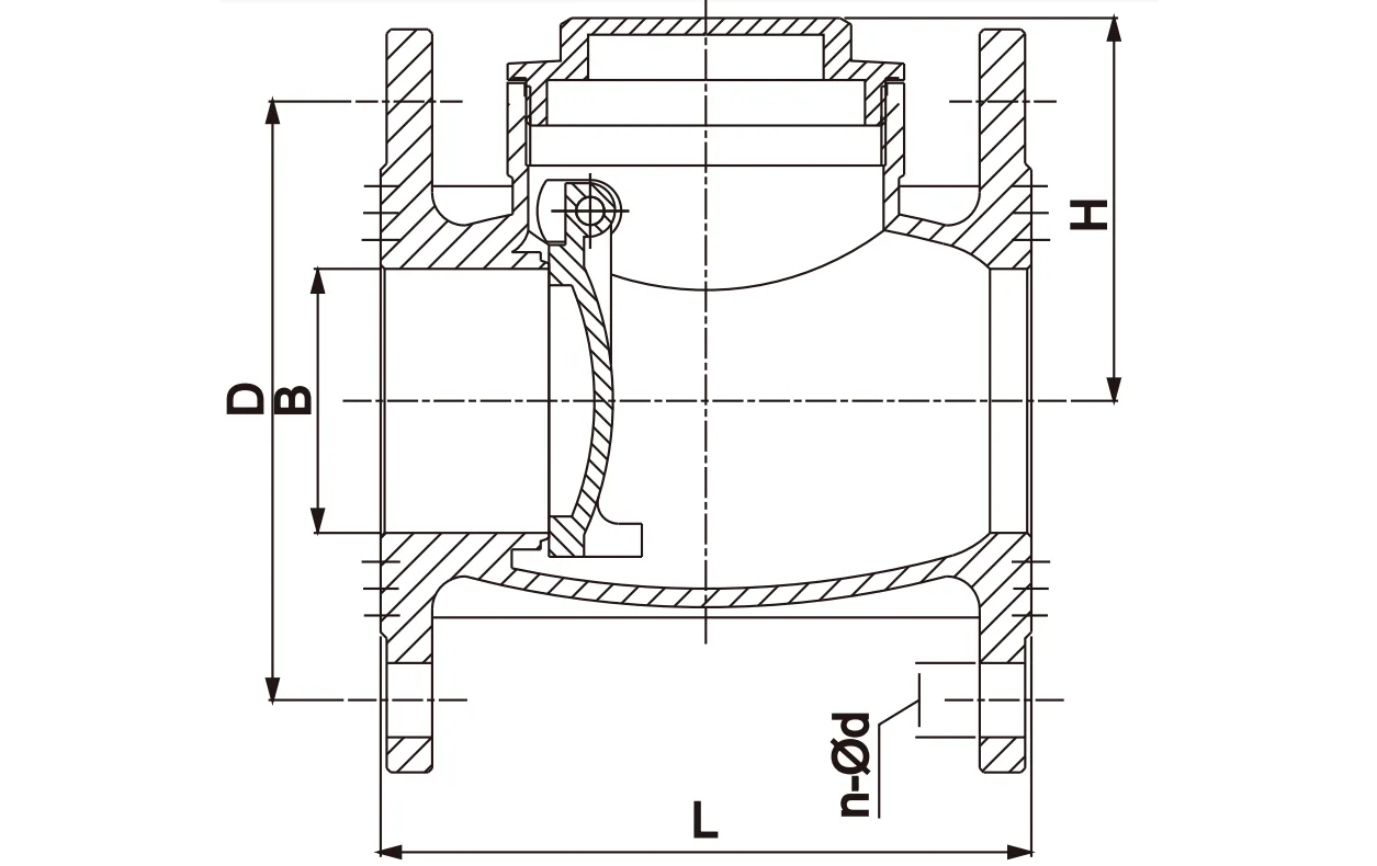
Tuotteen mitat

Flanged Check Valve

DN

L (mm)

H (mm)

D (mm)

B (mm)

n-⌀d

WT (g)

40

135

73

110

40

4-18

3893.0

50

143

85

125

50

4-18

5381.0

65

160

95

145

65

4-18

7611.0

80

185

104

160

80

8-18

9445.0

100

210

118

180

100

8-18

12885.0

125

235

133

210

120

8-18

18550.0

150

263

142

240

142

8-23

27000.0


Asennusohjeet

1.Puhdista ja valmistele putkisto huolellisesti ennen venttiilin asentamista.

2. Ennen asennusta poista kaikki suojapäädyt ja tarkasta venttiiliportit ja istukkapinnat varmistaaksesi, että ne ovat puhtaat.

3. Tarjoa venttiilille riittävä tuki välttääksesi liitosputkien aiheuttaman jännityksen.

4.Varmista, että venttiilin paine- ja lämpötilaarvot sopivat tarkoitettuihin käyttöolosuhteisiin.

5. Ennen kuin laitat laipallisen takaiskuventtiilin käyttöön, kierrä se kokonaan avoimesta kiinni varmistaaksesi moitteettoman toiminnan.

6. Tarkista asennuksen jälkeen, että tiivistemutteri on kunnolla kiristetty.


Huomautus 1: Laipalliset takaiskuventtiilit voidaan asentaa vaakasuoraan tai pystysuoraan putkistoon, jossa virtaus on ylöspäin, tai välisuuntaan edellyttäen, että kääntöventtiilien saranatappi pysyy vaakasuorassa. Asenna takaiskuventtiilit riittävälle etäisyydelle pumpun ulostuloaukoista tai muista turbulenttisista virtauslähteistä. Katso lisätietoja vastaavasta teknisestä tiedotteesta.


Huomautus 2: Joissakin takaiskuventtiileissä voi olla sisäinen pakkaus suojaamaan levyä kuljetuksen aikana. Poista kaikki pakkausmateriaali ennen asennusta.


Käyttöohjeet

Laipalliset takaiskuventtiilit toimivat automaattisesti eivätkä vaadi manuaalista toimenpiteitä.


Tarkastus ja huolto

1. Rutiinitarkastuksia ja ennaltaehkäisevää huoltoa ei yleensä vaadita, lukuun ottamatta karan tiivisteen satunnaista säätöä ja venttiilin säännöllistä kiertoa avoimesta kiinni.

2.Jos tiiviste vuotaa, kiristä tiivistemutteria myötäpäivään noin neljänneskierros – tai kunnes vuoto lakkaa – lisätäksesi varren tiivisteen tiivistyspainetta. Älä koskaan pakkaa venttiiliä uudelleen, kun se on järjestelmäpaineen alaisena.

3. Kun vaihdat venttiilin karaa, vaihda myös tiivistemateriaali.


Varaosat

Normaaleissa käyttöolosuhteissa varaosia tarvitaan harvoin. Suositeltavat varaosat kullekin venttiilityypille ovat: Levy-, pidike- ja saranakokoonpano.

Kun tilaat osia, ilmoita venttiilin numero, koko, tarvittava osa ja arvioitu ikä.


Huolto

1. Säännöllinen puhdistus. Jotta putkilinjassa olevien epäpuhtauksien ja sedimenttien vaikutus takaiskuventtiiliin vältetään, on täyskuparinen vaakasuora takaiskuventtiili ja putkilinjan sisäpuoli puhdistettava säännöllisesti.


2. Huomaa vuorotellen kylmän ja kuuman veden käyttö. Takaiskuventtiilin toistuva avaaminen ja sulkeminen aiheuttaa vaurioita, joten vuorotellen kylmän ja kuuman veden käyttöä tulee välttää.


3. Huomaa paine. Täyskuparista vaakasuuntaista takaiskuventtiiliä käytettäessä tulee kiinnittää huomiota putkilinjan painetilanteeseen, sillä liian korkea paine vaikuttaa haitallisesti takaiskuventtiiliin. Lyhyesti sanottuna täyskuparinen vaakasuora takaiskuventtiili on yleisesti käytetty laite putkistojärjestelmissä, ja sen käyttö ja huolto on erittäin yksinkertaista ja helppoa. Varsinaisessa käytössä käyttäjien tulee toimia ja huoltaa yllä olevia vaatimuksia käyttövaikutuksen varmistamiseksi.



Hot Tags: Kiinalainen laipallinen takaiskuventtiilin valmistaja, toimittaja, tehdas
Lähetä kysely
Yhteystiedot
Jos sinulla on kysyttävää tarjouksesta tai yhteistyöstä, lähetä meille sähköpostia osoitteeseen zchen@gentantvalves.com tai käytä seuraavaa kyselylomaketta. Myyntiedustajamme ottaa sinuun yhteyttä 24 tunnin sisällä. Kiitos mielenkiinnostasi tuotteitamme kohtaan.
X
Käytämme evästeitä tarjotaksemme sinulle paremman selauskokemuksen, analysoidaksemme sivuston liikennettä ja mukauttaaksemme sisältöä. Käyttämällä tätä sivustoa hyväksyt evästeiden käytön. Tietosuojakäytäntö
Hylätä Hyväksyä