Tuotteet
Kattiloiden turvallisuusryhmä
  • Kattiloiden turvallisuusryhmäKattiloiden turvallisuusryhmä

Kattiloiden turvallisuusryhmä

Tunnetaan yhtenä kilpailukykyisimmistä Boiler Safety Groupin valmistajista ja toimittajista, meillä on oma tehdas ja tarjoamme uusimpien nykyaikaisten vaatimusten mukaisten tuotteiden lisäksi myös yksityiskohtaisen hinnaston ja tarjouksen. Olemme sitoutuneet kattaviin palvelustandardeihin. Ennakkomyynti: Tekniset asiantuntijamme auttavat sinua valitsemaan oikean kokoonpanon räätälöityjen ratkaisujen, teknisten tietojen, CAD-piirustusten ja sertifikaattien avulla. Tilausprosessi: Varmistamme sujuvat kaupat selkeällä viestinnällä, vahvistetuilla toimitusajoilla ja täydellisellä tilausten seurannalla tuotannosta toimitukseen. Jälkimyynti: Pitkäaikainen tyytyväisyytesi on meille etusijalla, ja sitä tukevat takuusuoja, tekninen opastus ja alkuperäiset varaosat.

Boiler Safety Group on integroitu, kriittinen kokoonpano, joka on suunniteltu tarjoamaan kattava suojaus ja toiminnan ohjaus kuumavesikattilajärjestelmille. Sen ensisijainen tehtävä yhdistää kolme olennaista turvamekanismia: paineenalennusventtiili, joka vapauttaa automaattisesti ylipaineen ja estää katastrofaalisen ylipaineistumisen; painemittari järjestelmän paineen reaaliaikaiseen visuaaliseen seurantaan; ja ainutlaatuinen yhdistelmäventtiili, joka integroi lisätoimintoja, kuten virtauksen säätelyn, takaiskuventtiilin tai täyttöventtiilin ominaisuudet turvallisen vedenpinnan ylläpitämiseksi ja takaisinvirtauksen estämiseksi. Tämä integroitu yksikkö varmistaa järjestelmän turvallisuuden, toiminnan vakauden ja tiukkojen lämmitysmääräysten noudattamisen ja suojaa vaurioilta ja vaarallisilta olosuhteilta kaupallisissa ja asuinrakennusten kattilaasennuksissa.


Tuotteen ominaisuus ja sovellus

Boiler Safety Group 1 on integroitu suojakokoonpano autonomisille lämmitys- ja käyttövesijärjestelmille (jopa 10 bar). Se yhdistää kolme kriittistä toimintoa yhdeksi messinkirungoksi toiminnan vakauden varmistamiseksi.

Paineensuojaus: Integroitu varoventtiili poistaa veden automaattisesti, jos paine ylittää asetetun rajan, mikä estää säiliön tai putken repeämisen.

Ilmanpoisto: Automaattinen tuuletusaukko vuotaa jatkuvasti kaasuja, mikä estää "ilmalukot", melun ja sisäisen korroosion.

Valvonta: Sisäänrakennettu painemittari mahdollistaa järjestelmän paineen reaaliaikaisen visuaalisen seurannan.

Suljetun kierron lämmitys- ja käyttövesijärjestelmissä käytettynä se suojaa kattiloita ja epäsuoraa vedenlämmittimiä lämpölaajenemiselta. Se on välttämätöntä turvallisuuden ylläpitämiseksi yksityiskodeissa, joissa on itsenäiset kaasu-, sähkö- tai kiinteän polttoaineen lämmönlähteet.


Tuoteparametri (erittely)

Tekniset tiedot

Nimellispaine, MPa: 1,0

Testipaine, MPa: 1.5

Käyttölämpötila putkilinjassa: jopa +120 °C

Liitäntäkoko, tuuma: 1

Varoventtiilin asetuspaine, bar: 3.0

Pienin käyttöaineen paine, baari: 0,05


Materiaalin koostumus

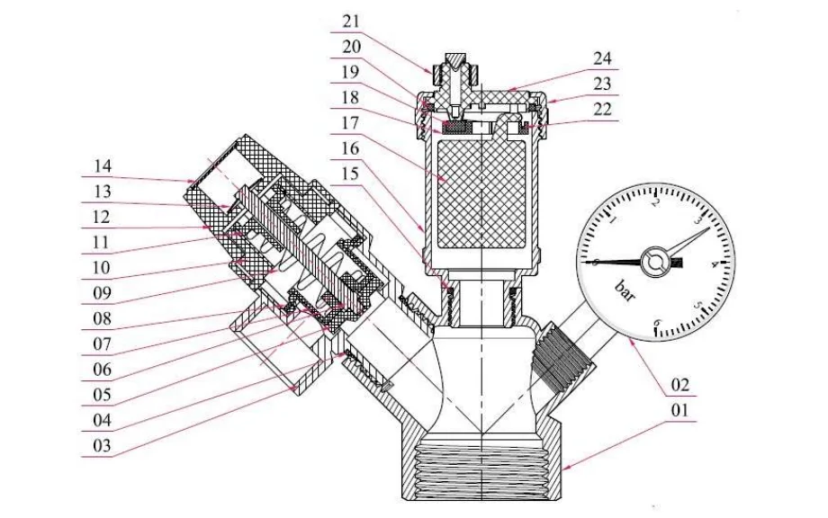
Boiler Safety Group

Ei.

Osan nimi

Materiaali

Ei.

Osan nimi

Materiaali

1

Runko

Messinki HPb59-1

13

Kiinnitysrengas

Teräs

2

Painemittari

Teräs

14

Pesukone

Alumiini

3

Venttiilin runko

Messinki HPb59-1

15

Tiivistysrengas

EPDM

4

Tiiviste

EPDM

16

Tiivistysrengas

Messinki HPb59-1

5

Tiiviste

EPDM

17

Kellua

NYLON

6

Kela / venttiilitulppa

Messinki HPb59-1

18

Koukku

NYLON

7

Tasainen aluslevy

POM

19

Liitin

EPDM

8

Tiiviste

Asbesti

20

Tiivistysrengas

EPDM

9

Kevät

Ruostumaton teräs S.S304

21

Korkki

Messinki HPb59-1

10

Venttiilin kansi

Musta muovi

22

Kevät

Ruostumaton teräs S.S304

11

Säätömutteri

Musta muovi

23

Yläkansi

Messinki HPb59-1

12

Yläkansi

POM

24

Kansi

NYLON


Tuotteen mitat

Boiler Safety Group


Toimintaperiaate

Boiler Safety Group 1 toimii automaattisena "vahtikoirina" lämmitysjärjestelmällesi. Käyttöönoton jälkeen automaattinen ilmanpoistolaite alkaa välittömästi poistaa jääneet kaasut varmistaakseen tehokkaan kierron ja estääkseen korroosion.


Normaalin käytön aikana painemittari tarjoaa jatkuvaa vianmääritystä: alhaiset lukemat viittaavat vuotoon tai paisuntasäiliöön, kun taas korkeat lukemat varoittavat ylikuumenemisesta tai höyryn muodostumisesta. Hätätilanteessa, jos paine saavuttaa 3 baarin rajan, varoventtiili laukeaa välittömästi ja purkaa ylimääräistä nestettä estääkseen katastrofaalisen putken tai kattilan rikkoutumisen.


Asennus- ja käyttöohjeet

Sijainti: Asenna kattilan turvallisuusryhmä 1 suoraan lämpögeneraattorin tai kattilan ulostuloon.

Tyhjä reitti: Varmista, että turvaryhmän ja suojatun yksikön väliseen putkistoon ei ole asennettu sulkuventtiilejä.

Suunta: Asenna yksikkö niin, että tuuletusaukko ja varoventtiili ovat täysin pystysuorassa. Sijoita painemittari siten, että se on helposti käyttäjän nähtävissä.

Asennusta edeltävä tarkistus: Varmista ennen asennusta tai irrotusta, että putkistojärjestelmä on täysin paineeton.


Käyttö- ja turvallisuusvaatimukset

Käyttörajat: Käytä turvaryhmää vain määritetyillä lämpötila- ja painealueilla (max. 1,0 MPa / 10 bar) tässä oppaassa kuvatulla tavalla.

Ennaltaehkäisevä huolto: Testaa venttiili manuaalisesti vähintään kerran kuukaudessa, jotta varoventtiilin kela ei juutu kiinni. Suorita tämä testi kääntämällä venttiilin kahvaa myötäpäivään, kunnes kuulet selkeän napsahduksen.

Turvallisuusmääräys: Älä koskaan käytä Safety Groupia järjestelmissä, jotka ylittävät sen nimellispaineen 1,0 MPa.



Hot Tags: Kiinan Boiler Safety Groupin valmistaja ja toimittaja
Lähetä kysely
Yhteystiedot
Jos sinulla on kysyttävää tarjouksesta tai yhteistyöstä, lähetä meille sähköpostia osoitteeseen zchen@gentantvalves.com tai käytä seuraavaa kyselylomaketta. Myyntiedustajamme ottaa sinuun yhteyttä 24 tunnin sisällä. Kiitos mielenkiinnostasi tuotteitamme kohtaan.
X
Käytämme evästeitä tarjotaksemme sinulle paremman selauskokemuksen, analysoidaksemme sivuston liikennettä ja mukauttaaksemme sisältöä. Käyttämällä tätä sivustoa hyväksyt evästeiden käytön. Tietosuojakäytäntö
Hylätä Hyväksyä